能源圈获悉,近日,国家标准化管理委员会发布关于批准发布《工业用合成盐酸》等273项推荐性国家标准和9项推荐性国家标准修改单的公告。
其中,一项为标准为《电解水制氢用质子交换膜》,该标准将于2025年9月1日起实施。
本文件规定了电解水制氢用质子交换膜的分类与标记、技术要求、试验方法、检验规则以及标志、包装、运输和贮存。
本文件适用于质子交换膜电解水制氢系统用质子交换膜的科研、生产、使用和管理。
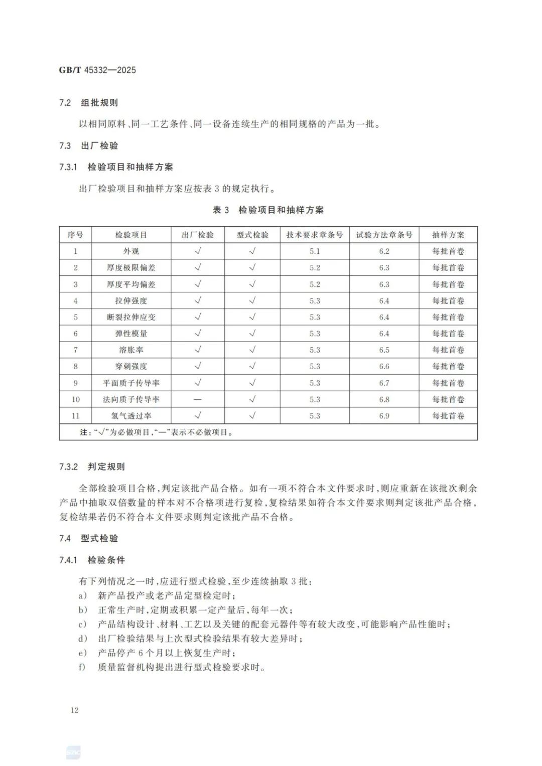
电解水制氢用质子交换膜厚度极限偏差和厚度平均偏差应符合表1的规定。
表1厚度极限偏差和厚度平均偏差要求

电解水制氢用质子交换膜性能指标应符合表2的规定。
表2性能指标要求


全文如下:

电解水制氢用质子交换膜
proton exchange membrane for hydrogen production via water electrolysis
国家标准 推荐性 即将实施
国家标准《电解水制氢用质子交换膜》 由tc382(全国分离膜标准化技术委员会)归口 ,主管部门为国家标准委。
主要起草单位:山东东岳未来氢能材料股份有限公司、上海亿氢科技有限公司、中船(邯郸)派瑞氢能科技有限公司、宁波昌祺微滤膜科技有限公司、淄博市计量技术研究院、北京中电丰业技术开发有限公司、广东泰极动力科技有限公司、苏州科润新材料股份有限公司、浙江嘉翔氟塑料有限公司、淄博高新技术产业开发区精细化工和高分子材料研究院、山东森荣新材料股份有限公司、济南思克测试技术有限公司、江苏源氢新能源科技股份有限公司、山东赛克赛斯氢能源有限公司、航膜科技发展集团有限公司、上海汉丞实业有限公司、艾杰旭化工科技(上海)有限公司、中国科学院大连化学物理研究所、未势能源科技有限公司、戈尔(深圳)有限公司、鸿基创能科技(佛山)有限公司、阳光氢能科技有限公司、上海电气集团股份有限公司、福建海德福新材料有限公司、辽宁科京新材料有限公司、天津市大陆制氢设备有限公司、沃顿科技股份有限公司、山东省膜学会、苏州优可发新材料科技有限公司、四川东为氢源科技有限公司、湖南隆深氢能科技有限公司、北京新研创能科技有限公司、上海舜华新能源系统有限公司、上海市塑料研究所有限公司、上海文景能源科技有限公司、四川中科兴业高新材料有限公司、广东卡沃罗氢科技有限公司、安徽明天氢能科技股份有限公司、宁波中科科创新能源科技有限公司、江苏国富氢能技术装备股份有限公司、西安航天华阳机电装备有限公司、天府永兴实验室、德州新动能铁塔发电有限公司、鄂尔多斯市永胜水处理有限公司、浙江巨圣氟化学有限公司、贵州梅岭电源有限公司、安徽枡水新能源科技有限公司、中瑞国能科技(东莞)有限公司 、山西国润储能科技有限公司、国家电投集团氢能科技发展有限公司、西安隆基氢能科技有限公司、氢辉能源(深圳)有限公司、深圳市通用氢能科技有限公司、四川东材科技集团股份有限公司、苏州市氢能产业创新中心有限公司、海天水务集团股份公司、中国电建集团华东勘测设计研究院有限公司、厦门嘉戎技术股份有限公司、重庆摩尔水处理设备有限公司、三一氢能有限公司、南京工程学院、山东大学、华北电力大学、北京化工大学、上海钱丰纺织品有限公司、上海氢器时代科技有限公司、杭州匠容道环境科技有限公司、江苏拓邦华创科技有限公司、山东电力建设第三工程有限公司、道尔顿膜技术(深圳)有限公司 。主要起草人 张永明、邹业成、解旭阳、曹朋飞、任航星、李朝晖、任俊、张春荣、马东生、杨大伟、胡全英、何乃林、荣钦功、张目清、徐斌、丁孝涛、王瀚漪、杨颖、王旭、郝金凯、龚正伟、汪志勇、杨云松、魏广科、杨敏、孟祥青、张建国、许卫、金焱、刘洪玉、平立峰、何伟东、陈新、齐志刚、王森、石磊、符策煌、郭万才、余瑞兴、潘永志、陈禹彬、王朝、郑拓文、雷宪章、张清哲、唐浩、叶怀英、刘江涛、张显、陈星宏、孟青、周明正、孙雪敬、樊建涛、尧克光、王明、潘志成、朱爽、蒋林煜、马兵、饶洪宇、徐翊竣、常景彩、刘建国、刘雅楠、郝明磊、徐建峰、王大新、赵慧宇、代增丽、张钊、李杰先、范云双、唐春、杨浩锋、谭爱东、郑涛、刘洋、彭玉梅、陈思思 。

















来源:全国标准信息公共服务平台
