6月24日,国家能源局山东监管办发布关于征求《山东省新能源和新型并网主体涉网安全能力提升工作方案》意见的函。文件提出,强化虚拟电厂运行管理。纳入涉网安全管理范围的虚拟电厂应接受电力调度机构统一调度,按月向电力调度机构提交可调节资源清单和变更申请,月内原则上不得随意变换可调节资源、技术参数及其容量,确需调整的,应在调整前向电力调度机构提交变更申请,经电力调度机构审核确认后,次月执行。虚拟电厂开展实时运行监测,实时掌握聚合可调节资源的运行状态,自动接收、严格执行参与市场的出清结果,并及时向市场运营机构自动报送执行情况,严禁私自篡改各类数据。当电网发生紧急情况时,虚拟电厂聚合资源应按照要求执行调节指令。
详情如下:
关于征求《山东省新能源和新型并网主体涉网安全能力提升工作方案》意见的函
各有关新型并网主体、有关设备厂商:
为深入贯彻落实国家能源局《关于提升新能源和新型并网主体涉网安全能力 服务新型电力系统高质量发展的通知》工作要求,进一步加强山东省新能源和新型并网主体涉网安全管理,山东能源监管办会同山东省能源局研究起草了《山东省新能源和新型并网主体涉网安全能力提升工作方案》,请各单位结合工作实际研提意见,于6月27日下班前将修改意见反馈至邮箱,逾期未反馈视为无意见。
联系人:李恒,0531-67800966
邮箱:safety@cnea.gov.cn
附件:山东省新能源和新型并网主体涉网安全能力提升工作方案.docx
国家能源局山东监管办公室
2025年6月24日
附件
山东省新能源和新型并网主体涉网安全能力提升工作方案
为贯彻落实《国家发展改革委 国家能源局关于加强新形势下电力系统稳定工作的指导意见》(发改能源〔2023〕1294号)、《关于提升新能源和新型并网主体涉网安全能力 服务新型电力系统高质量发展的通知》(国能发安全〔2024〕79号)工作要求,进一步加强山东新能源和新型并网主体涉网安全管理,有效管控安全风险,坚决防范电力安全事故发生,更好服务和促进新型电力系统高质量发展,特制定本工作方案。
一、涉网安全工作范围
(一)管理范围
纳入涉网安全管理范围的新能源和新型并网主体(以下简称并网主体)包括并入电网的各类集中式风电、集中式光伏、分散式风电、分布式光伏、新型储能、虚拟电厂、分布式智能电网及源网荷储一体化项目等。
(二)涉网设备
并网主体涉网设备包括但不限于风力发电机、光伏逆变器、储能变流器、静止无功补偿器(svc)、静止无功发生器(svg)、调相机等一次系统设备,自动发电控制(agc)、自动电压控制(avc)、有功及无功控制系统、继电保护及安全自动装置、相量测量装置(pmu)及通信、自动化及网络安全设备等与涉网安全相关的二次系统设备。
(三)涉网试验
涉网试验包括有功功率控制和频率响应能力测试、惯量响应和一次调频测试、故障穿越能力测试、运行适应性检测、无功/电压控制能力测试、无功补偿装置并网性能测试、电气仿真模型及参数验证、电能质量测试、安全与保护功能检测以及保证电力系统安全的其他测试。不同类型的并网主体涉网试验具体项目依据国家相关标准确定。
二、涉网安全性能要求
并网主体应满足《电力系统安全稳定导则》(gb38755-2019)、《电网运行准则》(gb/t31464-2022)、《电力系统网源协调技术导则》(gb/t40594-2021)以及风电、光伏、储能等相关国家标准及行业标准最新规定要求(相关执行标准参照附件2主要标准清单),满足电网安全稳定运行对新能源和新型并网主体的涉网性能要求。虚拟电厂、源网荷储一体化项目、分布式智能电网等内部接入的电源,要按照并网电源要求进行涉网安全管理,应满足对应电源类型的涉网安全要求。远端汇集(大基地等)的集中式新能源除满足国家相关涉网性能要求外,还应具备快速调频调压、抑制宽频振荡等支撑能力,必要时配置调相机等装置,防止大规模脱网。
三、涉网安全管理工作内容
(一)并网接入管理
1.强化并网接入过程管控。并网主体应组织开展并网验收工作,确保一、二次设备及各类系统满足并网要求。并网前,并网主体应向电网企业提供涉网性能型式试验报告,报告应由具备cnas/cma资质(中国合格评定国家认可委员会认可或中国计量认证)或同等资质能力的第三方机构出具,经审核同意后方可并网。电网企业应做好并网主体涉网设备的配置、参数、性能、调控能力等并网条件确认工作,审核涉网性能试验报告,条件不满足的不得并网。
2.加强接入电网安全风险评估。电网企业要深入研究分布式新能源接入的安全风险,应充分考虑分布式新能源接入对电网安全运行的影响,配合地方电力主管部门做好电网承载力评估,按季度发布区域、变电站和台区分布式新能源可开放容量,引导分布式新能源科学布局、安全接入、高效消纳。
3.执行并网调度协议管理。电网企业要坚持统一调度、分级管理,组织纳入涉网安全管理范围的并网主体签订并网调度协议,其中10千伏及以上并网主体由相应电力调度机构组织签订并网调度协议,380/220伏电压等级并网的分布式光伏应在购售电合同中明确并网调度管理相关条款。电力调度机构在与虚拟电厂签订并网调度协议时,应通过能力测试,根据聚合可调节资源类型的不同,将聚合可调节资源划分为一个或多个虚拟电厂机组。
(二)并网运行管理
4.加强调控能力和信息采集能力建设。并网主体应将运行信息实时上传至电力调度机构,具备接收和执行电力调度机构下发的调节控制指令能力,满足电网运行“可观、可测、可调、可控”要求。10千伏及以上分布式光伏应按照电力调度机构对集中式场站的数据接入质量要求,采取“直采直控”方式接入,实现秒级采集与控制,场站调节控制性能应满足电网运行要求。380/220伏电压等级并网的分布式光伏,其运行信息应通过台区侧电网企业采集终端经由用电信息采集系统上传至电力调度机构,或通过虚拟电厂、源网荷储一体化等聚合方式实现分钟级采集与控制,调节性能应满足电网运行要求,并根据电网运行和市场需要逐步提升采集频率。虚拟电厂应按照省级电力调度机构对数据接入质量的要求,将运行信息直接上传至省级电力调度机构,满足采集、监视、控制要求。
5.强化虚拟电厂运行管理。纳入涉网安全管理范围的虚拟电厂应接受电力调度机构统一调度,按月向电力调度机构提交可调节资源清单和变更申请,月内原则上不得随意变换可调节资源、技术参数及其容量,确需调整的,应在调整前向电力调度机构提交变更申请,经电力调度机构审核确认后,次月执行。虚拟电厂开展实时运行监测,实时掌握聚合可调节资源的运行状态,自动接收、严格执行参与市场的出清结果,并及时向市场运营机构自动报送执行情况,严禁私自篡改各类数据。当电网发生紧急情况时,虚拟电厂聚合资源应按照要求执行调节指令。
6.强化新型主体继电保护运行管理。并网主体应按照国家、行业标准及调度机构相关规程和管理制度,开展继电保护及安全自动装置的日常监视、定期巡视、检查和日常维护、消缺工作,装置及功能应按照相关规定投退,不得随意投入、停用或改变参数设置,上送至电力调度机构的信息应完整、准确、及时。
7.强化网络安全管理。并网主体要严格落实《电力监控系统安全防护规定》(中华人民共和国国家发展和改革委员会2024年第27号令)等网络安全相关法律法规、国家标准及行业标准要求,坚持“安全分区、网络专用、横向隔离、纵向认证”原则,强化安全免疫、态势感知、动态评估和备用应急措施,加强供应链安全管控,禁止擅自设置或预留任何外部控制接口。采用云平台等互联网技术进行监测的并网主体,应当按照法规、标准,安装网络安全监测、隔离装置等网络安全设施,并向相应调度机构备案。虚拟电厂的技术支撑系统(或平台)的涉控功能应满足电力监控网络安全防护相关要求,加强数据安全管理,确保数据源头加密和防篡改。
8.强化通信运行管理。接入电力通信网的并网主体通信设备的运行条件应符合电力通信网运行要求,并由专人维护,通信设备应纳入电力通信网管系统统一管理,并严格执行通信调度运行检修管理要求。上送至电力调度机构的信息应完整、齐全、准确,通讯链路应可靠稳定。
(三)涉网参数管理
9.规范涉网参数管理流程。并网主体涉网安全相关设备的控制逻辑和参数、涉网保护定值等不得擅自调整,关键技术参数的升级或改造相关方案应经充分论证并提交电力调度机构审核同意后实施。系统阻抗等发生变化后,并网主体应及时校核或调整有关定值;控制逻辑或参数发生变化后,应在规定时间内开展涉网性能复核测试,确保满足涉网性能要求。
10.强化建模及参数实测管理。电力调度机构要基于并网主体实测建模,对高比例电力电子设备接入电网开展电磁暂态仿真或机电-电磁混合仿真校核。并网主体要根据电力系统稳定计算分析要求,开展电磁暂态和机电暂态建模及参数实测。并网前并网主体应向电力调度机构提供并网发电设备相应型号的电磁暂态和机电暂态模型。
11.明确涉网试验及参数复测要求。并网主体并网后应按要求完成各项涉网试验,在规定的时间内将合格试验结果提交电力调度机构。并网主体的agc、avc、svg、一次调频等涉网参数应定期开展复测,复测周期不应超过5年,检测应由具备cnas/cma资质或同等资质能力的第三方机构开展,试验方案、试验结果和试验报告应经电力调度机构审核确认。
12.强化容量变更管理。并网主体要严格执行容量变更的申请、审核、测试等管理规定。电网企业要完善并网主体停运、检修管理流程,确保并网主体并网运行期间发电及调节能力得到有效管控。并网主体要严格执行容量变更管理流程,严禁私自变更容量。
四、新能源和新型并网主体涉网改造工作安排
(一)开展自查
2025年7月底前,各并网主体完成涉网性能情况自查,各地市电力主管部门会同电网企业组织分布式光伏运营商(业主)完成380/220伏分布式光伏涉网性能情况排查,摸清底数,全面分析并网主体涉网安全问题,形成自查报告。各地市电力主管部门汇总辖区并网主体自查情况后报山东能源监管办、山东省能源局。
(二)制定方案。
在现状摸排和自查基础上,各地市电力主管部门会同电网企业组织并网主体研究制定改造提升方案,明确工作内容和时间节点,落实责任单位和责任人,2025年10月底前形成改造方案。
(三)实施改造
各并网主体根据改造方案及计划,稳步推进涉网性能改造,各地市电力主管部门会同电网企业每季度末向山东能源监管办、山东省能源局报告改造提升进展情况。电网企业应督促并网主体按计划推进改造工作。全部改造工作需在2027年年底前完成。
五、工作要求
(一)高度重视涉网安全管理
各单位要深刻认识并网主体涉网安全对电力系统稳定和能源转型的重大意义,增强风险意识和底线思维,创新安全管理模式,有效管控安全风险,以更高标准、更严要求、更实举措抓好涉网安全管理各项工作。
(二)压实各方责任
各并网主体要严格履行涉网安全主体责任,严格执行涉网安全管理规章制度,按要求完成涉网安全能力排查、改造及提升工作。电网企业要加强对并网主体的统一调度管理及电网安全风险管控,依据有关法律法规和标准规范,做好涉网二次系统和监控系统的技术监督工作,为并网主体安全并网提供保障。
(三)强化宣传引导及监督管理
各单位要加强政策文件宣传和解读,营造有利于并网主体高质量发展的安全环境。山东能源监管办、山东省能源局、各级电力主管部门要加强统筹协调,强化涉网安全监督管理,定期组织对电网企业、并网主体开展监督检查。电力调度机构应加强并网主体涉网安全管理,对于并网主体为规避电力调度机构调控而采取破坏通信设备设施等的行为,要严肃调度纪律并按照相关规定进行考核,必要时按照规定履行电网解列程序,并将情况报告山东能源监管办、山东省能源局和相应电力主管部门。对逾期未完成改造达不到国家规定标准要求的,在电网消纳困难时优先弃电。
附件:1.集中式风电主要标准清单
2.集中式光伏主要标准清单
3.分布式新能源主要标准清单
4.新型储能主要标准清单
5.分布式智能电网主要标准清单
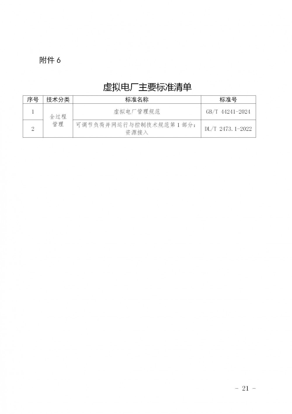
6.虚拟电厂主要标准清单









