日前,2025年6月全国各地公布电网企业代理购电价格。
了解到,2025年6月电网代购电价格中,全国峰谷价差最高的是珠三角五市,执行一般工商业单一制尖峰电价时,峰谷价差为1.3231元/kwh。
根据表格显示,6月全国超过50%的区域峰谷价差较上月峰谷价下降,北京、上海、天津、广东、安徽、河南、河北、四川、湖南、内蒙古、山东、重庆、浙江、海南、贵州15个省市最大峰谷电价差超过0.7元/kwh以上。
值得注意的是,江苏自4月30日发布新的峰谷电价计算方式后,引起各方广泛关注,据2025年6月江苏代理购电工商业用户电价表的新峰谷电价,经计算,调整后的峰谷价差将降低25%-33%,最高价差为0.6199元/wh,最高价差上月为0.8979元/wh。
一般工商业电价方面,除广东、河北、四川、湖北、山东、海南外,其余地区不再执行尖峰电价。

从电价差来看,一般工商业峰谷电价差最高的是珠三角五市,执行一般工商业单一制尖峰电价时,峰谷价差为1.3231元/kwh,其次是广东江门市单一制尖峰电价差为1.3164元/kwh。

大工商业电价方面,上海、天津、陕西、浙江公布了大工商业代理购电价格。

北京



上海



重庆


四川


天津

广东






安徽


浙江







江苏




山东

山西

河北

冀北




河南

黑龙江


辽宁

吉林

内蒙古东部
江西

湖北

湖南

青海


宁夏


陕西



甘肃

新疆
广西


海南

贵州




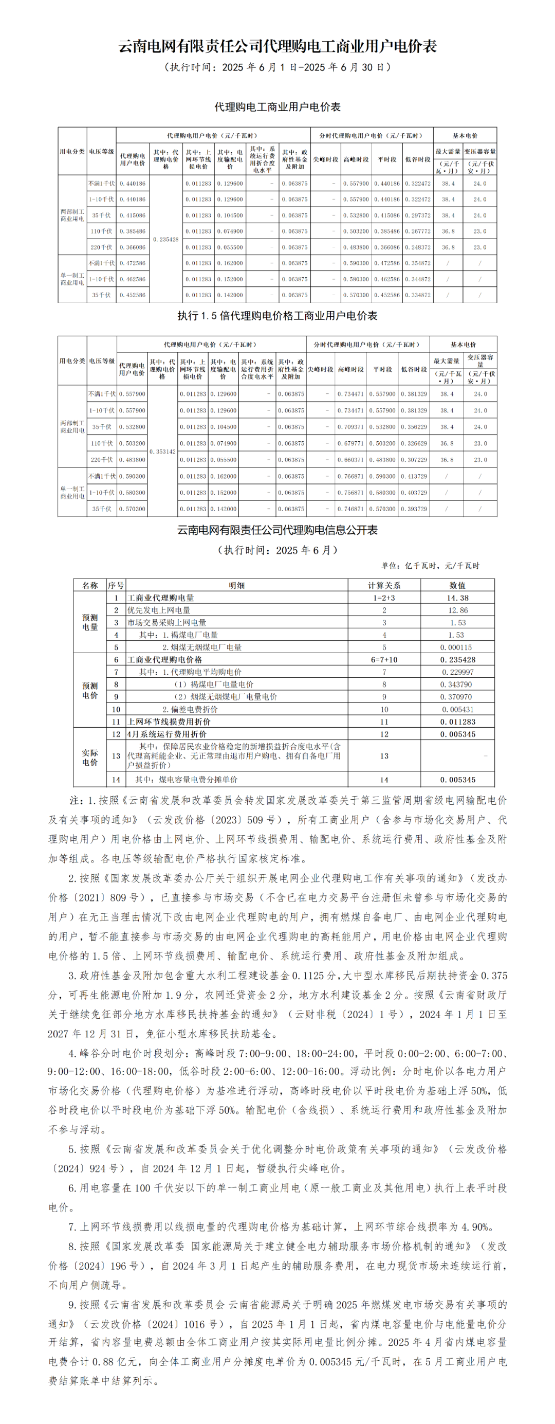
云南

深圳


福建

来源:储能头条
